Please choose your delivery location

The selection of the country/region page can influence various factors such as price, shipping options and product availability.
My contact person
Select location

After selection of your ZIP code, we designate the relevant staff to attend to you at once.

MY(EN)

drylin® SHT-PL "Preload" - manual clearance adjustment

Special features

Absolute freedom from lubricants

Prestressed trapezoidal nut, preload force: 50 N

Manually and continuously adjustable radial clearance

Low weight due to aluminium and plastics

Tapered off spindle ends enable operation by hand wheel or motor

Temperature-resistant up to +80 °C



1 - Trapezoidal leadscrew nut with spring preload
2 - Radial clearance adjustable on both sides

Fitting for this articles:


SHT-PL - "Preload"

L max.:

 


Ordering of a complete system

Configuration in few steps:

1. Selection of the installation size
2. Selection of the stroke length in mm
3. Selection of the accessory parts

Hint:

Detailed information can be found below in the drawings and tables as well as in the below mentioned pages.

drylin® SHT-PL - complete system

Step 1

Select the installation size of the spindle-lift table.

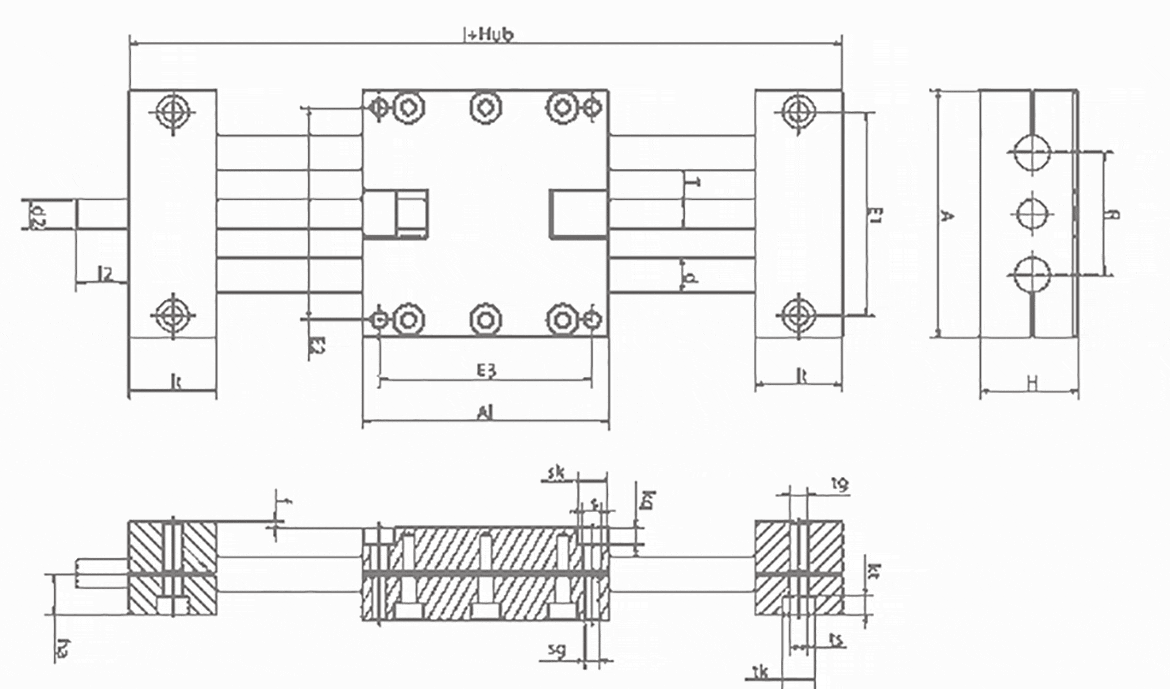
technical drawing
Installation size:

Lengths and weights [mm]

Order no. Max.
stroke length
Weight
[kg]
Additional weight
per 100 mm
[kg]
Max. static
carrying capacity
Individual price for base stroke 100 mm  
axial
[N]
Radial
[N]
Ready for shipment within 7-10 working days SHT-12-AWM-PL 750 1.1 0.1 700 2800 1,767.94 MYR Add to shopping cart
Ready for shipment within 7-10 working days SHT-20-AWM-PL 1000 3.2 0.3 1600 6400 2,555.91 MYR Add to shopping cart
Ready for shipment within 7-10 working days SHT-30-AWM-PL 1250 8.6 0.6 2500 10000 4,368.17 MYR Add to shopping cart
Delivery time on request SHT-12-EWM-PL 750 1.3 0.2 700 2800 2,093.58 MYR Add to shopping cart
Delivery time on request SHT-20-EWM-PL 1000 3.9 0.6 1600 6400 3,039.45 MYR Add to shopping cart
Delivery time on request SHT-30-EWM-PL 1250 10.9 1.4 2500 10000 5,793.36 MYR Add to shopping cart
Delivery time on request SHT-12-SWM-PL 750 1.3 0.2 700 2800 Upon request Add to shopping cart
Delivery time on request SHT-20-SWM-PL 1000 3.9 0.6 1600 6400 Upon request Add to shopping cart
Delivery time on request SHT-30-SWM-PL 1250 10.9 1.4 2500 10000 Upon request Add to shopping cart
More about selected part:
3D-CAD 3D-CAD
Sample request Sample request
PDF PDF
Quote request Quote request
myCatalog myCatalog

Dimensions [mm]

Order no. A
-0,3
Al
-0,3
H E1
±0,15
E2
±0,15
E3
±0,15
l R f lt
±0,1
tk ts
Ready for shipment within 7-10 working days SHT-12-AWM-PL 85 85 34 70 73 74 145 42 2 30 11 6.6
Ready for shipment within 7-10 working days SHT-20-AWM-PL 130 130 48 108 115 115 202 72 2 36 15 9
Ready for shipment within 7-10 working days SHT-30-AWM-PL 180 180 68 150 158 158 280 96 4 50 20 13.5
Delivery time on request SHT-12-EWM-PL 85 85 34 70 73 73 145 42 2 30 11 6.6
Delivery time on request SHT-20-EWM-PL 130 130 48 108 115 115 202 72 2 36 15 9
Delivery time on request SHT-30-EWM-PL 180 180 68 150 158 158 280 96 4 50 20 13.5
Delivery time on request SHT-12-SWM-PL 85 85 34 70 73 73 145 42 2 30 11 6.6
Delivery time on request SHT-20-SWM-PL 130 130 48 108 115 115 202 72 2 36 15 9
Delivery time on request SHT-30-SWM-PL 180 180 68 150 158 158 280 96 4 50 20 13.5
More about selected part:
3D-CAD 3D-CAD
Sample request Sample request
PDF PDF
Quote request Quote request
myCatalog myCatalog
Order no. tg kt
±0,1
s sk sg kq d T l2 d2* standard ha
Ready for shipment within 7-10 working days SHT-12-AWM-PL M8 6.4 6.3 10 M6 6 12 17 TR10x2 18
Ready for shipment within 7-10 working days SHT-20-AWM-PL M10 8.6 6.4 11 M8 7 20 26 12 h9 23
Ready for shipment within 7-10 working days SHT-30-AWM-PL M16 12.6 11 18 M12 10.6 30 38 14 h9 36
Delivery time on request SHT-12-EWM-PL M8 6.4 6.3 10 M6 6 12 17 TR10x2 18
Delivery time on request SHT-20-EWM-PL M10 8.6 6.4 11 M8 7 20 26 12 h9 23
Delivery time on request SHT-30-EWM-PL M16 12.6 11 18 M12 10.6 30 38 14 h9 36
Delivery time on request SHT-12-SWM-PL M8 6.4 6.3 10 M6 6 12 17 TR10x2 18
Delivery time on request SHT-20-SWM-PL M10 8.6 6.4 11 M8 7 20 26 12 h9 23
Delivery time on request SHT-30-SWM-PL M16 12.6 11 18 M12 10.6 30 38 14 h9 36
More about selected part:
3D-CAD 3D-CAD
Sample request Sample request
PDF PDF
Quote request Quote request
myCatalog myCatalog

* TR10x2 without machined spindle end


Fitting for this articles:

Individual parts of this product family are ready for shipping in 24 hours from stock drylin® E - product overview

The consistant development of the toolbox and system concept of the lubrication-free drylin® drive technology.

Individual parts of this product family are ready for shipping in 24 hours from stock
Ready for shipment within 7-10 working days
Delivery time on request

The terms "Apiro", "AutoChain", "CFRIP", "chainflex", "chainge", "chains for cranes", "ConProtect", "cradle-chain", "CTD", "drygear", "drylin", "dryspin", "dry-tech", "dryway", "easy chain", "e-chain", "e-chain systems", "e-ketten", "e-kettensysteme", "e-loop", "energy chain", "energy chain systems", "enjoyneering", "e-skin", "e-spool", "fixflex", "flizz", "i.Cee", "ibow", "igear", "iglidur", "igubal", "igumid", "igus", "igus improves what moves", "igus:bike", "igusGO", "igutex", "iguverse", "iguversum", "kineKIT", "kopla", "manus", "motion plastics", "motion polymers", "motionary", "plastics for longer life", "print2mold", "Rawbot", "RBTX", "RCYL", "readycable", "readychain", "ReBeL", "ReCyycle", "reguse", "robolink", "Rohbot", "savfe", "speedigus", "superwise", "take the dryway", "tribofilament", "tribotape", "triflex", "twisterchain", "when it moves, igus improves", "xirodur", "xiros" and "yes" are legally protected trademarks of the igus® SE & Co. KG/ Cologne in the Federal Republic of Germany and where applicable in some foreign countries. This is a non-exhaustive list of trademarks (e.g. pending trademark applications or registered trademarks) of igus SE & Co. KG or affiliated companies of igus in Germany, the European Union, the USA and/or other countries or jurisdictions.

igus® SE & Co. KG points out that it does not sell any products of the companies Allen Bradley, B&R, Baumüller, Beckhoff, Lahr, Control Techniques, Danaher Motion, ELAU, FAGOR, FANUC, Festo, Heidenhain, Jetter, Lenze, LinMot, LTi DRiVES, Mitsubishi, NUM,Parker, Bosch Rexroth, SEW, Siemens, Stöber and all other drive manufacturers mention on this website. The products offered by igus® are those of igus® SE & Co. KG